机器人变位机/工作站
您的位置:首页 > 产品中心 > 机器人变位机/工作站 > 变位机2PF300/500/1000
常州贝博工业机器人有限公司坐落于江苏常州天宁区,专业从事焊接系统的开发与制造、焊接切割技术咨询与服务的专业性高新技术企业。公司资力厚、技术先进,产品远销泰国、越南、菲律宾等东南亚国家和地区。
自有软件专利通过知识体系贯标认证,高新技术企业自主研发团队,可根据客户需求非标定制。获得各项专利30余项。
您可以第一时间了解到贝博的最新动态,与您分享行业的最热资讯,时刻在为您服务。在焊接通用设备、焊接结构件、工装夹具、焊接自动化设备及控制方面积累了丰富的实践经验。
秉持着“树立一种优质形象:优质服务是生命,客服满意是目的”的经营理念,实施差异化战略,在细分市场发力,为客户提供高品质的工业机器人和智能制造解决方案。贝博工业机器人一直倾心打造好的品质,竭力追求贴心的服务。
常州贝博工业机器人有限公司
常州贝博工业机器人有限公司坐落于江苏常州天宁区,专业从事焊接系统的开发与制造、焊接切割技术咨询与服务的 专业性高新技术企业。公司主要产品有OTC焊接机器人、OTC焊机,焊接机,工装,夹具,检具,非标自动化焊接设备、机器人应用系统等,
发布:2022-08-30 浏览:5970
微信扫码咨询
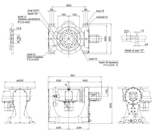
联系我们从最小的25kg到最大的1000kg,中间一共6种机型;可通过机器人的示教盒进行操作,可与机器人同时进行示教工作;采用的是AC伺服马达和无背隙减速机,因此可以得到和机器人同样的高精度;与机器人配套使用时,可以实现协调动作。

| 型号 | A2PF300-ENN | A2PF500-ENN | A2PF1000-ENN |
| 最大搭载重量 | 300kg | 500kg | 1000kg |
| 最大旋转速度 | 3.1rad/sec[180°/s] | 2.8rad/sec[162°/s] | 2.9rad/sec[72°/s] |
| 最大倾斜速度 | 2.2rad/sec[125°/s] | 1.5rad/sec[84°/s] | 1.4rad/sec[82°/s] |
| 容许最大扭矩 | 294N·m | 392N·m | 882N·m |
| 倾斜轴容许最大扭曲 | 882N·m | 1347N·m | 3704N·m |
| 位置重复精度 | ±0.08mm(在R250的位置) | ±0.08mm(在R250的位置) | ±0.08mm(在R250的位置) |
| 旋转停止位置 | 任意位置 | 任意位置 | 任意位置 |
| 本 体 重 量 | 260kg | 260kg | 470kg |
扫一扫